健行科技大學
健行科技大學推廣教育中心,EXTENSION EDUCATION CENTER, UCH
專業技能/證照/公職/培訓中心
【機械設計師必備】AutoCAD機械製圖設計2D+3D(週六班)
DC02 【機械設計師必備】AutoCAD機械製圖設計2D+3D(週六班)
上課日期  114/10/18 - 114/12/20
上課時段  09:00-16:00(六)
課程時數  60 小時
授課老師  張守欽

課程目標

➤讓在短時間內學會業界需要的2D/3D製圖技術:三視圖、剖視圖、轉助視圖,組立圖,立體系統圖(爆炸圖)等組圖。
➤結業時有能力完成3-4組的套圖。

適合對象

▶已具備基本電腦操作能力的初學者。
▶已具備手工製圖之工程師,想改用電腦製圖者。
▶欲學習使用電腦從事產品設計工作者。
▶欲從事機械設計從業人員。
▶欲從事製造廠商設計研發人員。
▶欲從事設計製圖相關領域工作者。

課程介紹

▶不用背指令的AutoCAD機械設計製圖課程,循序漸進,學會職場專業技能,指日可待,只要60小時,物超所值。
內容:
AutoCAD 基礎設定,滑鼠操作,基本幾何圖形製圖,圖框繪製,三視圖基礎,尺寸標註,加工符號,尺寸公差,幾何公差,出圖列印,剖面圖,輔助視圖,組立圖…等業界需要的圖面。

▶課程優勢:
AutoCAD 是市面上所有其他高階 CAD軟體的基礎和入門必備的知識,選讀本課程可以讓你在接觸其他 CAD軟體的時候駕輕就熟、事半功倍。

課程大綱

1
AutoCAD 系統簡易設定,認識滑鼠的操作,正投影視圖(三視圖)基礎練習,基礎指令的操作:直線、圓、矩形、圖層選取、調整長度、尺寸標注、基礎列印
10/18(六)
09:00-16:00,6 hr
張守欽
2
矩形、鎖點追蹤、極座標、複製、移動、倒角、圓角、鏡射、陣列 及 正投影視圖練習
10/25(六)
09:00-16:00,6 hr
張守欽
3
機械零件抄繪,螺紋說明、加工符號繪製,可註解圖塊製作,出圖比例決定,尺寸標註,配置套用
11/01(六)
09:00-16:00,6 hr
張守欽
4
樣本圖檔設定:圖層、文字格式、標註型式、多重引線格式、表格格式…等及圖框繪製,圖塊製作,樣版圖檔製作
11/08(六)
09:00-16:00,6 hr
張守欽
5
圖塊製作(組立圖用)、表格(零件表),出圖、加工符號的標註、尺寸公差、幾何公差的標註,多重引線及件號,屬性萃取及零件表
11/15(六)
09:00-16:00,6 hr
張守欽
6
3D樣版製作,3D基礎指令操作(方塊、圓柱體、差集、滑鼠中間滾輪,視角方塊的操作)
11/22(六)
09:00-16:00,6 hr
張守欽
7
螺絲,螺蝐,螺絲孔攻牙,齒輪繪製,彈簧華司的繪製,鍵槽,鍵,彈簧銷的繪製
11/29(六)
09:00-16:00,6 hr
張守欽
8
3D組立,重訂使用者座標原點,外部參考插入物件。立體系統圖配置,出圖列印,完成第一個立體系統圖
12/06(六)
09:00-16:00,6 hr
張守欽
9
3D平面快照、轉成2D零件圖,基準視圖轉工作圖(2013以後版本),尺寸標註,公差標註,幾何公差標註,出圖列印
12/13(六)
09:00-16:00,6 hr
張守欽
10
屬性粹取自動完成BOM(零件表)表,自動完成 2D 組立圖,局部詳圖,不剖面物件的處理
12/20(六)
09:00-16:00,6 hr
張守欽
以上師資與課程內容時間場地等相關資訊,本中心保留因應實際情況調整權利,詳情請來電洽詢!!

授課老師

張守欽
AutoCad設計名師-張守欽老師
Autocad精英講師!
張守欽老師研究AutoCAD廿餘年,教學經驗豐富,將複雜的操作方式,簡化為易懂的方式,讓初學者『一用上手』,有學過的學員直呼『相見恨晚』。健行推廣auto cad課程,主要是訓練學員如何透過3D圖面設計應用再轉入2D加工設計圖面規畫這是進入機械產業最重要的各式的視圖觀念以及剖視圖如何繪製以及其意義,並且訓練學員了解常用的標準零件如何畫出以及注意事項,後續針對工程圖最重要的加工符號以及表面符號的使用,訓練學員擁有實務測繪的技能,並且可以獨力完成業界完整的工程圖,這對於未來就業或者於工作上才有直接的幫助。張守欽老師從手繪時代即取得乙級技術士證,更取電腦輔助機械製圖/建築製圖乙級/丙級技術,考照經驗豐富,可以用最快的方帶領同學考取技術士證。

主要授課

AutoCAD機械設計基礎2D、AutoCAD機械設計進階3D、TQC、國際認證、機械設計製圖、室內設計製圖、機械設計丙級/乙級技術士、建築製圖丙級技術士

學經歷/殊榮記錄

1.中華航空工程設計師
2.巨匠電腦專業講師
3.晟豐油壓機械有限公司設計工程師
4.創格科技程式工程師

教學專長

AutoCAD 所有相關科目:2D、3D、TQC、國際認證、機械設計製圖、室內設計製圖、機械設計丙級/乙級技術士、建築製圖丙級技術士

持有證照

電腦輔助建築製圖丙級技術士
電腦輔助機械設計製圖乙級技術士
AutoCAD原廠專業級認證
Autodesk AutoCAD評鑑為精英講師
TQC AutoCad 2D
107年版的立體製圖丙級技術士

教學成果/個人作品

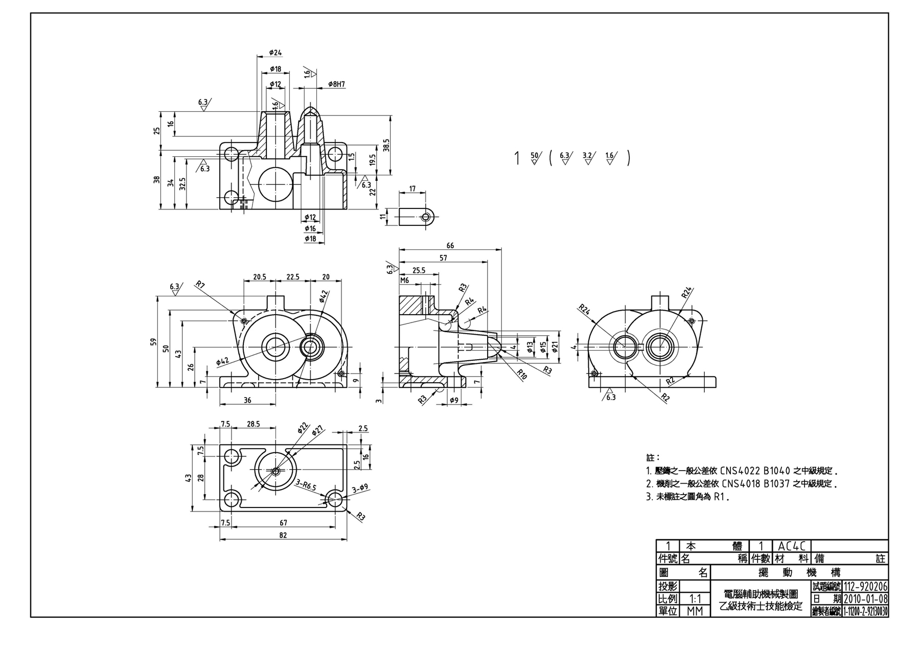
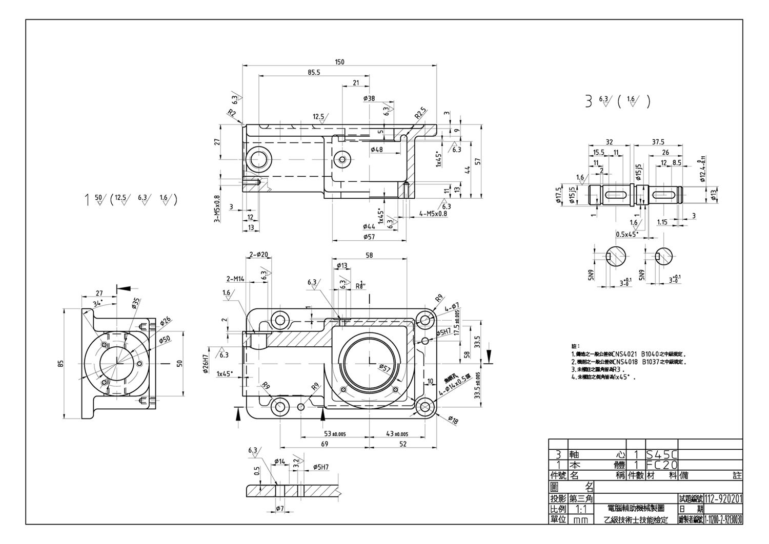
張守欽老師設計作品
張守欽老師設計作品
張守欽老師設計作品
張守欽老師設計作品
張守欽老師設計作品
張守欽老師設計作品
張守欽老師設計作品
張守欽老師設計作品
張守欽老師設計作品
張守欽老師設計作品
張守欽老師設計作品
張守欽老師設計作品
張守欽老師設計作品

教學方法

▶透過上機實作、考試練習、實做作品、實例分析與專題發表來進行課程,使學員能夠更加瞭解現場實務加工方式,並且會有結訓專題的繪製,讓大家在結訓後,都能做出一份精緻的作品集。

開課月份

每年約12月底、1月初公告明年課程

課程費用

適用優惠辦法  瞭解優惠辦法
原價 12000元 特價 12000 元(已折扣後價格)

(導師自編講義)

教材材料

▶導師自編講義

證書說明

本課程結業後發予「結業證明」,不授予學位證明書。

課程諮詢

 郭先生
 03-4581196 分機 3796(假日請轉接 3771-3772)

學習心得

賴OO
因中年轉職,希望可以學得設計專長,之前只有學過一點點AutoCAD,這次報名健行科技大學推廣教育中心的課程,專業的課程、優秀的師資、舒適的環境,讓我學習沒有不耐,老師特別重視實作,因此操作時間很多,但老師都會巡視且一一指導,幾乎就是專人家教的感覺。課後我也順利考到專業證照,並且現在服務於一間工業產品設計公司,非常謝謝健行科技大學提供如此專業的推廣教育課程。
蕭OO
雖然是案場助理,由於不會繪圖所以報名課程,老師也是室內設計師且有許多作品,經驗十分豐富,除了教軟體之外,也會傳授案場的實際狀況分享,也因為我本身也在案場工作所以有許多共鳴,老師非常親切講話也很有趣,在這堂課除了學習技能外也懂非常多現場工作的情況。我現在也升任為助理設計師,非常謝謝老師與學校。
張OO
本身只有學過平面設計,在室內設計的部分沒有接觸過,也不懂得使用AutoCAD,但健行科大的老師真的很好,一步一步從基礎教起,而且下課後還會陪我們繼續練習,上課環境也很好,服務人員態度親切,真的是很好的學習中心。
張OO
我不是相關科系畢業,因為從小就有設計夢,所以畢業之後,開始進修自己的設計能力,健行科大推廣教育中心的AutoCAD課程完成了我的夢想,因為是初學者,一開始學習很慢,老師仔細講解一個個步驟,也會親自示範給學生看要怎樣構圖,學生練習時老師也會一個一個親自指導,學校還會開放練習教室非常貼心,經過三個月的訓練,我已經順利找到工作,而且做得很開心,非常謝謝健行推廣提供良好的課程、專業的老師,以及貼心的服務。
王OO
Autocad是我在工作中時常接觸的軟體,一直以來都很好奇怎麼使用它, 很謝謝健行科大的推廣教育中心,課程規劃得充實,即使對我這樣的初學者而言,是有點難度的,但張老師有提供影片讓我們能在家練習。真的遇到不懂的地方,張老師也樂於指點,因此也要非常謝謝張老師! 這次我從2D到3D都有學到,也越來越熟悉軟體的使用方式,之後我也想繼續學習,持續充實自己的職場技能!
王OO
老師親切的態度及用心教學,特別是過了下課時間了有同學跟不上進度的還會繼續指導,真是佛心來著。
也順利讓大家考取了TQC AutoCAD 2D~感恩~
王OO
我本來是自學使用一般市面上的書藉,都不知道那裡頭畫的圖面意義是什麼,
無法應用在日常所需上,較難培養概念也不容易記住,所以學的辛苦又慢。
但在健行上課所準備的教材及教學速度、概念明瞭又有應用價值,也很容易讓學員上手,
在這裡可以看出張守欽老師的用心,也謝謝我同事告訴我有這麼好的課程大家一起來學習。
杜OO
本身從事機械品管業,也不是本科系的學生,工作中雖然可以累積看機械工程圖的經驗,為了更熟練機械圖的繪製方式及三視圖的運用,所以來健行上了張老師機械2D課程。

上課前自己有買書了解視圖原理及CAD 的操作方式,老實說有看沒有懂,書裡盡是奇形怪狀的CAD 圖,也都不是機械圖,看起來CAD 非常高深。自從上了張老師的課程,沒有甚麼複雜的指令,短短的36小時,我就了解基本機械圖的三視圖畫法、自己繪製了螺帽、固定座、油缸後蓋、板手.....等2D圖。原來CAD 機械圖真的沒那麼難,有個好老師教學,自己課後肯複習勤畫,自己也能跨進CAD 設計的領域。就像張老師所講的,他希望機械圖的教學不是讓人覺得CAD 很厲害,而是透過這套教學,讓每個人按著自己的學習進度,全盤吸收老師教導的內容,對機械有真正的興趣才能繼續走下機械圖的研究。

未來希望張老師能開立機械實作課程,配合車銑削及模具的介紹,讓學生從加工經驗來驗證機械圖繪製的正確。這裡感謝健行有機會讓我上了機械2D的課程,也謝謝張老師上課耐心的解答學生的問題。這裡學習到的內容真的對職場有很大的幫助。
呂OO
學習AutoCAD的這個課程,收穫真的頗為豐富。
從一開始的買書自修,卻畫不出一個簡略的圖面,

前幾日,我可以將師傅們手繪的一些簡單圖面,
用AutoCAD繪製出來,對於非本科生的我,
真的感覺來上課是對的。

對於老師的教學方式,學生也覺得十分人性化,
畢竟這課程有其專業性,要於3小時的上課時間內,
記下全部的操作方式,的確有困難;採用目前的方式上課,
學生可以不斷的參考、複習,不懂的地方看到懂為止,
亦有時間可做下筆記。

上個禮拜的3D課程,也是讓學生覺得驚喜的一環,
原本學生公司接觸到的圖面,都是2D繪製的,
對於直接繪製2D,學生也較無能力能理解側視圖、
上視圖等該如何表現。
可3D轉成2D時,卻能輕易的表示出來,讓人一目瞭然,
對於學生的學習過程,相信大有助益。

這個課程太短,如果可能,想請老師也能教導學生圖框的製作,
及比例的觀念,再次感謝老師的指導。
廖OO
首先感謝健行大學提供這麼好的環境,給我們學習的空間;
在去年底,一次偶然的機會裡,我在網路上看到健行大學的上課課程,
我對於機械這樣的課程很感興趣,因為居住在台中,所以長途往返,成了我考量的原因之一;
考量的原因之二為,健行大學開的課程會符合我所期望學到的東西嗎?
(因為我並不曾參加過健行大學的任何一門課程);雖然有很多考量的原因,
但我始終關心著,我有興趣的課程的開課時間,終於在今年5月,
我提起了勇氣,決定給自己和健行大學一個機會;很開心,果然不負我所期望的,我這一趟去對了,
感謝幫我電話報名的一位職員,因為有他的協助,我才能順利電話報名成功.

很開心能有這個機會上Auto cad 3D課程,這一堂課的課程內容是教丙級考試範圍來繪製圖面,
正好是我一直在找的課程,這樣的課程內容學的很實際,不但可以充分學到考丙級的圖面繪製,
也剛好可以學到軟體工具列的如何實用在繪製圖面上,從考試圖面來學習工具列的工具如何用,
這樣的學習成效非常棒,有學以致用的感覺,因此也讓人很容易記住工具的指令,
當然也要感謝[張守欽老師]的細心和耐心教導,不懂得,老師也很樂意的多次指導著我,讓我每堂課都真正的學會了,
並且讓我這一趟能不虛此行,而且受益良多,學到了我所想學的東西;
如果有機會,老師有開課,會想上[機械設計製圖乙級的課程],但期望會以 Solid workS 或 Auto cad 軟體為工具.
最後真的很高興,能有這個機會到健行大學去上課,没想到健行大學內有這麼有才能的老師,原先我對健行大學抱持著試試看的想法,
没想到健行大學讓我刮目相看,健行大學這個地方居然都出,這麼會教的教師,讓我有點後悔太晚才認識教師和太遲才來到健行大學了,
上完課後,會讓人還想要在上課,想在健行大學學習更多的東西,健行大學也讓我看到了希望.

學員廖0婉104.5.28

學習地圖(點選地圖可放大顯示)


健行科技大學 推廣教育中心

報名